Zhejiang Sehnaider Electric Co., Ltd.
Zhejiang Sehnaider Electric Co., Ltd.
Mga produkto
BH-0.66-60 Kasalukuyang mga Transformer
  • BH-0.66-60 Kasalukuyang mga TransformerBH-0.66-60 Kasalukuyang mga Transformer

BH-0.66-60 Kasalukuyang mga Transformer

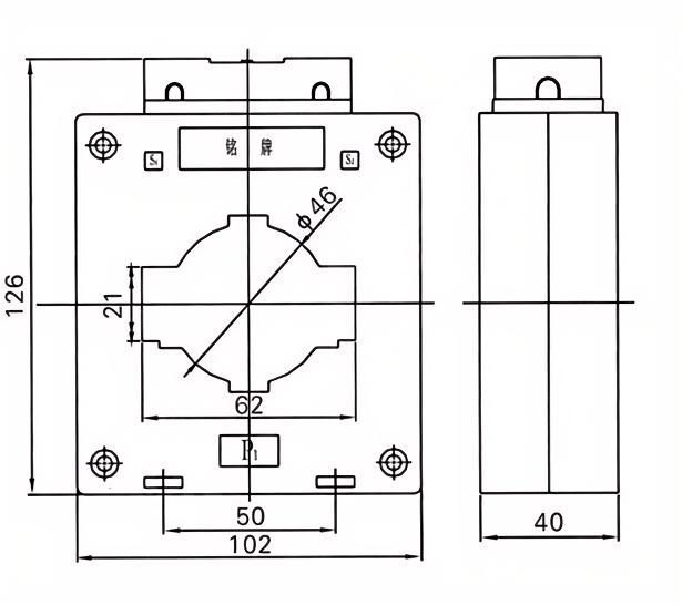
Ang BH -0.66-60 kasalukuyang mga transformer ay nagpatibay ng Flame ng PC - retardant material, at ang magnetic - pagsasagawa ng materyal ay isang pinagsama -samang toroidal core upang matiyak ang kawastuhan ng produkto sa mga antas na 0.2 at 0.5. Para sa mga ultra - mataas na antas ng kawastuhan tulad ng 0.2s at 0.5s, tanging ang mga superconducting magnet ay maaaring matugunan ang mga kinakailangan na katumpakan.

Ang BH-0.66-60 Kasalukuyang mga transformer ay naaangkop sa mga sistema ng kuryente na may rate na dalas ng 50Hz at isang rate ng boltahe na 0.66kV, 0.69kV, 0.5KV at sa ibaba para sa pagsukat ng enerhiya ng enerhiya, kasalukuyang pagsukat at proteksyon ng relay.


Ang kasalukuyang transpormer ng Dahu ay para sa panloob na paggamit, na naka -install sa loob ng mga cabinets ng pamamahagi at mga kahon. Nagtatampok ito ng isang nobelang magnetic circuit design, advanced na mga pamamaraan ng kabayaran, katangi -tanging pamamaraan sa pagproseso, ligtas at maaasahang pagganap, at isang maliit at magandang hitsura.


Ang panlabas na shell ay gawa sa mataas na lakas ng apoy - retardant PC na may ganap na nakapaloob na istraktura at isang apoy - retardant rating ng V1. Ang panloob na core ay gawa sa mataas na kalidad ng butil - oriented na mga sheet ng bakal na silikon. Ang diameter ng wire ay mahigpit na napili ayon sa pang -ekonomiyang kasalukuyang density upang matiyak ang mas kaunting pagtaas ng temperatura. Sa advanced at maaasahang kagamitan sa pagsubok, tinitiyak nito ang pagsunod sa mga pamantayan sa kalidad.


Mayroon itong mga uri ng parisukat at bilog na butas, na angkop para sa solong - ugat o maramihang - pagtagos ng root cable o solong - ugat na pagtagos ng busbar. Mayroon itong isang kumpletong serye ng produkto, isang iba't ibang mga pagtutukoy, at isang malawak na saklaw ng aplikasyon.


Mga Aplikasyon

Pagmamanman ng enerhiya at pagsukat

Proteksyon ng circuit at koordinasyon ng relay

Pang -industriya Automation at Smart Grid Systems

Mga pagtutukoy sa teknikal

Na -rate na boltahe: 0.66kv

Kadalasan: 50/60Hz

Kumpanya ng Katumpakan: 0.5, 1.0 (napapasadyang)

Antas ng pagkakabukod: 3kv/min


Pangunahing mga teknikal na parameter

Na -rate ang Pangunahing
Kasalukuyang (a)
Kawastuhan
mga klase
Kumbinasyon
Na -rate na pangalawang output (VA) 1s thermal kasalukuyang (ka) Na -rate na Dynamic Kasalukuyang (KA)
0.2 (s) 0.2 0.5 10p10
5-40 0.2/10p10
0.5/10p10
/ 10 10 15 90lin 220lin
5-40 100lin 250lin
5-40 20 50
5-40
5-40 36 90
10
5-40 45 100
5-40 56 100
5-40
5-40 80 110
5-40 100 110


Mga Hot Tags: BH-0.66-60 Kasalukuyang mga Transformer
Magpadala ng Inquiry
Impormasyon sa Pakikipag-ugnayan
Kung mayroon kang anumang pagtatanong tungkol sa sipi o kooperasyon, mangyaring huwag mag -email sa amin sa river@dahuelec.com o gamitin ang sumusunod na form ng pagtatanong. Makikipag -ugnay sa iyo ang aming kinatawan ng benta sa loob ng 24 na oras. Salamat sa iyong interes sa aming mga produkto.
X
We use cookies to offer you a better browsing experience, analyze site traffic and personalize content. By using this site, you agree to our use of cookies. Privacy Policy
Reject Accept