Zhejiang Sehnaider Electric Co., Ltd.
Zhejiang Sehnaider Electric Co., Ltd.
Mga produkto
BH-0.66-50 Kasalukuyang mga Transformer
  • BH-0.66-50 Kasalukuyang mga TransformerBH-0.66-50 Kasalukuyang mga Transformer

BH-0.66-50 Kasalukuyang mga Transformer

Ang BH-0.66-50 kasalukuyang mga transformer ay mga instrumento ng katumpakan na idinisenyo para sa tumpak na pagsukat at pagsubaybay sa mga de-koryenteng alon sa iba't ibang mga pang-industriya na aplikasyon. Sa pamamagitan ng isang na -rate na kasalukuyang 50A at isang ratio ng pagbabagong -anyo ng 0.66, ang mga transformer na ito ay nagbibigay ng maaasahan at tumpak na kasalukuyang mga kakayahan sa pagsukat.

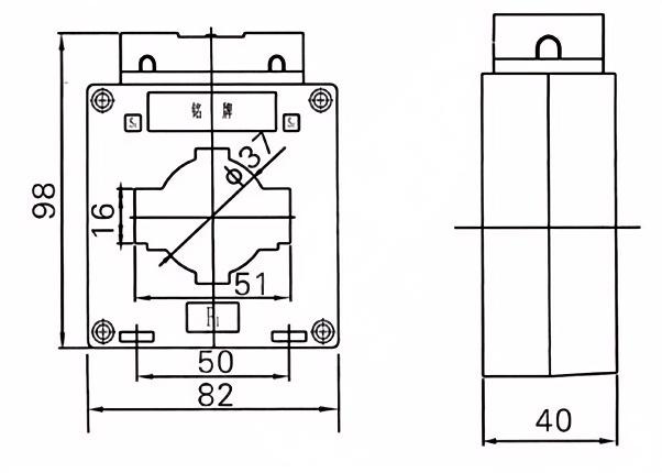
Panloob na epoxy resin kasalukuyang transpormer o panloob na plastic casing kasalukuyang transpormer

• Single phase, dalawang yugto o tatlong yugto.

• Na -rate na boltahe: 0.66kv

• klase ng pagsukat para sa CT: 0.2S, 0.2,0.5, 0.5s

• Pamantayan: IEC61869-2

• Uri ng pangalan: BH-0.66-50

Ang panloob na tuyo na uri ng kasalukuyang transpormer ay ginagamit sa 0.66kV, 0.75kV. Power System, para sa pagsukat at proteksyon.

Ginamit ito sa cubicle switchgear o sa mga istasyon ng paglilipat ng bay.

Ang BH-0.66-50 kasalukuyang mga transformer ay ginawa mula sa mataas na temperatura sa panloob na epoxy resin, amorphous alloy core para sa pagsukat at mataas na kalidad sa loob ng core para sa proteksyon, pangunahin at pangalawang paggamit ng purong electrolytic tanso.


Mga Aplikasyon:

Mga sistema ng pamamahagi ng kuryente

Mga Sistema sa Pamamahala ng Enerhiya

Pagsubaybay sa Kagamitan sa Pang -industriya

Mga nababagong sistema ng enerhiya


1. Mga Premium na Materyales

Mga mataas na grade cores: Precision-laminated silikon na bakal o nanocrystalline cores para sa kaunting pagkalugi at mataas na pagkakasunud-sunod.  

Malakas na pagkakabukod: Ang mga disenyo ng epoxy resin ay nagsisiguro ng pangmatagalang katatagan sa malupit na mga kapaligiran.  


2. Superior Performance

Katumpakan: Klase 0.2/0.5 para sa pagsukat, 5p/10p para sa proteksyon, sumusunod sa IEC 61869, 60044, IEEE, at mga pamantayan sa ANSI.  

Malawak na saklaw: Sinusuportahan ang 0.6KV-36KV system, na may pasadyang mga ratios/dalas (50/60Hz).  

Mababang thermal Rise: Ang na -optimize na disenyo ay binabawasan ang sobrang pag -init, pagpapalawak ng habang -buhay.  

EMC Immunity: Shields laban sa pagkagambala ng electromagnetic para sa maaasahang mga signal.  


3. Serbisyo at Suporta

Mga pasadyang solusyon: mga angkop na ratios, sukat, o konektor (hal., DIN Rail, mga terminal ng IEC).  

Global Certification: IEC, CE, ISO, at pag -apruba ng lokal na grid.  

Lifelong Technical Aid: 24/7 Suporta, Pag -install ng Pag -install, at Spare Parts Supply.  

Mabilis na paghahatid: mga karaniwang produkto sa 2-4 na linggo; Pinabilis na mga pagpipilian para sa mga kagyat na pangangailangan.  


Pangunahing mga teknikal na parameter

Na -rate ang Pangunahing
Kasalukuyang (a)
Kawastuhan
mga klase
Kumbinasyon
Na -rate na pangalawang output (VA) 1s thermal kasalukuyang (ka) Na -rate na Dynamic Kasalukuyang (KA)
0.2 (s) 0.2 0.5 10p10
5-40 0.2/10p10
0.5/10p10
/ 10 10 15 90lin 220lin
5-40 100lin 250lin
5-40 20 50
5-40
5-40 36 90
10
5-40 45 100
5-40 56 100
5-40
5-40 80 110
5-40 100 110




Mga Hot Tags: BH-0.66-50 Kasalukuyang mga Transformer
Magpadala ng Inquiry
Impormasyon sa Pakikipag-ugnayan
Kung mayroon kang anumang pagtatanong tungkol sa sipi o kooperasyon, mangyaring huwag mag -email sa amin sa river@dahuelec.com o gamitin ang sumusunod na form ng pagtatanong. Makikipag -ugnay sa iyo ang aming kinatawan ng benta sa loob ng 24 na oras. Salamat sa iyong interes sa aming mga produkto.
X
Gumagamit kami ng cookies para mag-alok sa iyo ng mas magandang karanasan sa pagba-browse, pag-aralan ang trapiko sa site at i-personalize ang content. Sa paggamit ng site na ito, sumasang-ayon ka sa aming paggamit ng cookies. Patakaran sa Privacy
Tanggihan Tanggapin