Zhejiang Sehnaider Electric Co., Ltd.
Zhejiang Sehnaider Electric Co., Ltd.
Mga produkto
BH-0.66-30 Kasalukuyang mga Transformer
  • BH-0.66-30 Kasalukuyang mga TransformerBH-0.66-30 Kasalukuyang mga Transformer

BH-0.66-30 Kasalukuyang mga Transformer

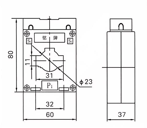
Ang BH-0.66-30 kasalukuyang mga transformer (CTS) ay mga instrumento na may katumpakan na dinisenyo para sa tumpak na kasalukuyang pagsukat at pagsubaybay sa mga mababang sistema ng elektrikal na boltahe. Sa pamamagitan ng isang na -rate na boltahe ng pagkakabukod ng 0.66KV, ang mga transformer na ito ay mainam para sa pamamahala ng enerhiya, proteksiyon na relay, at mga aplikasyon ng pagsukat.

Mga Tampok:

Mataas na katumpakan: Nakakatagpo ng mga pamantayan sa IEC 61869, tinitiyak ang maaasahang pagganap para sa mga layunin sa pagsingil at pagsubaybay.

Compact Design: Pag-save ng Space na Pag-save para sa Madaling Pag-install sa masikip na mga puwang.

Malawak na kasalukuyang saklaw: Pangunahing kasalukuyang hanggang sa 30A, na angkop para sa magkakaibang pang -industriya at komersyal na naglo -load.

Matibay na Mga Materyales: Ang matatag na pabahay ay nagbibigay ng pagtutol sa mga kadahilanan sa kapaligiran at mekanikal na stress.

Pagsunod sa Kaligtasan: BH-0.66-30 Kasalukuyang mga Transformer na sumusunod sa mga sertipikasyon sa kaligtasan at pagganap ng internasyonal.


Mga Aplikasyon:

Ang pagsukat ng enerhiya sa mga sistema ng pamamahagi ng kuryente.

Overcurrent protection sa circuit breakers at relay.

Pagsasama sa Smart Grids at IoT-based na mga solusyon sa pagsubaybay.

Mga pagtutukoy sa teknikal:

Na -rate na boltahe: 0.66kv

Kadalasan: 50/60Hz

Kumpanya ng Katumpakan: 0.5, 1.0 (napapasadyang)

Burden: Tulad ng bawat kinakailangan ng customer


Pangunahing mga teknikal na parameter

Na -rate ang Pangunahing
Kasalukuyang (a)
Kawastuhan
mga klase
Kumbinasyon
Na -rate na pangalawang output (VA) Ay thermal kasalukuyang (ka) Na -rate na Dynamic Kasalukuyang (KA)
0.2 (s) 0.2 0.5 10p10
5-40 0.2/10p10
0.5/10p10
/ 10 10 15 90lin 220lin
5-40 100lin 250lin
5-40 20 50
5-40
5-40 36 90
10
5-40 45 100
5-40 56 100
5-40
5-40 80 110
5-40 100 110


Mga Hot Tags: BH-0.66-30 Kasalukuyang mga Transformer
Magpadala ng Inquiry
Impormasyon sa Pakikipag-ugnayan
Kung mayroon kang anumang pagtatanong tungkol sa sipi o kooperasyon, mangyaring huwag mag -email sa amin sa river@dahuelec.com o gamitin ang sumusunod na form ng pagtatanong. Makikipag -ugnay sa iyo ang aming kinatawan ng benta sa loob ng 24 na oras. Salamat sa iyong interes sa aming mga produkto.
X
Gumagamit kami ng cookies para mag-alok sa iyo ng mas magandang karanasan sa pagba-browse, pag-aralan ang trapiko sa site at i-personalize ang content. Sa paggamit ng site na ito, sumasang-ayon ka sa aming paggamit ng cookies. Patakaran sa Privacy
Tanggihan Tanggapin