Zhejiang Sehnaider Electric Co., Ltd.
Zhejiang Sehnaider Electric Co., Ltd.
Mga produkto
BH-0.66-20 Kasalukuyang mga Transformer
  • BH-0.66-20 Kasalukuyang mga TransformerBH-0.66-20 Kasalukuyang mga Transformer

BH-0.66-20 Kasalukuyang mga Transformer

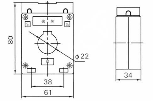
Ang BH-0.66-20 kasalukuyang mga transformer ay de-kalidad na kasalukuyang mga transformer na idinisenyo para sa tumpak na pagsukat at pagsubaybay sa mga de-koryenteng alon sa iba't ibang mga pang-industriya na aplikasyon. Sa pamamagitan ng isang na -rate na kasalukuyang 0.66A at isang dalas ng 50/60Hz, ang mga transformer na ito ay nagbibigay ng maaasahang pagganap at tumpak na pagbabasa.

Ang BH-0.66-20 kasalukuyang mga transformer ay nagtatampok ng isang compact at matatag na disenyo, na ginagawang angkop para sa pag-install sa masikip na mga puwang at malupit na mga kapaligiran. Ang mga ito ay nilagyan ng mga de-kalidad na materyales at sangkap upang matiyak ang pangmatagalang katatagan at tibay.


Ang mga kasalukuyang transpormer ay madaling i -install at mapanatili, na ginagawang perpekto para sa isang malawak na hanay ng mga aplikasyon, kabilang ang pamamahagi ng kuryente, pamamahala ng enerhiya, at pang -industriya na automation. Sumunod sila sa mga pamantayang pang -internasyonal para sa kaligtasan at pagganap, na nagbibigay ng mga gumagamit ng kapayapaan ng isip at tiwala sa kanilang operasyon.


Sa pangkalahatan, ang BH-0.66-20 kasalukuyang mga transformer ay ang perpektong pagpipilian para sa tumpak na kasalukuyang pagsukat at pagsubaybay sa mga setting ng pang-industriya, nag-aalok ng pagiging maaasahan, katumpakan, at tibay para sa iba't ibang mga sistema ng elektrikal.


Pangunahing mga teknikal na parameter

Na -rate ang Pangunahing
Kasalukuyang (a)
Kawastuhan
mga klase
Kumbinasyon
Na -rate na pangalawang output (VA) Ay thermal kasalukuyang (ka) Na -rate na Dynamic Kasalukuyang (KA)
0.2 (s) 0.2 0.5 10p10
5-40 0.2/10p10
0.5/10p10
/ 10 10 15 90lin 220lin
5-40 100lin 250lin
5-40 20 50
5-40
5-40 36 90
10
5-40 45 100
5-40 56 100
5-40
5-40 80 110
5-40 100 110



Mga Hot Tags: BH-0.66-20 Kasalukuyang mga Transformer
Magpadala ng Inquiry
Impormasyon sa Pakikipag-ugnayan
Kung mayroon kang anumang pagtatanong tungkol sa sipi o kooperasyon, mangyaring huwag mag -email sa amin sa river@dahuelec.com o gamitin ang sumusunod na form ng pagtatanong. Makikipag -ugnay sa iyo ang aming kinatawan ng benta sa loob ng 24 na oras. Salamat sa iyong interes sa aming mga produkto.
X
We use cookies to offer you a better browsing experience, analyze site traffic and personalize content. By using this site, you agree to our use of cookies. Privacy Policy
Reject Accept